LillyAllenDesigns
Jasminsmagicworld
BarkalooDesign
Artiststas
AdoDesignShop
JahusDesignShop
BundleAndBundleShop
HRA Design Shop
FaDigitalArtStudio
[email protected]
OliviaCreatesArt
CowGirlArtShop
HowdyJamesFarm
TumblerDesignByShophia
RanaPortraitStore
CTS Tumbler Store
Zillion Design Studio
NancyCooperArtShop
Texasbilliewilder
MaliasSmallBusiness
Muks_Shop
Rvexell
NReaL
Oittostudio
Nteklah
Melllux
PUBLICTEES
Gear_desain
Erdiyan
C
Amazon Deck Belt Replace 587686701 Compatible with Craftsman Very well made.
Poulan PP24VA54 96046008000 2015 08 Riding Mower Very well made.
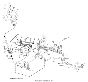
Poulan PP24VA54 96046008000 2015 08 Parts Diagram for Very well made.
Snapklik Deck Belt Replace 587686701 Compatible Very well made.
Mower Deck Belt for 54 Very well made.