LillyAllenDesigns
Jasminsmagicworld
BarkalooDesign
Artiststas
AdoDesignShop
JahusDesignShop
BundleAndBundleShop
HRA Design Shop
FaDigitalArtStudio
[email protected]
OliviaCreatesArt
CowGirlArtShop
HowdyJamesFarm
TumblerDesignByShophia
RanaPortraitStore
CTS Tumbler Store
Zillion Design Studio
NancyCooperArtShop
Texasbilliewilder
MaliasSmallBusiness
Muks_Shop
Rvexell
NReaL
Oittostudio
Nteklah
Melllux
PUBLICTEES
Gear_desain
Erdiyan
C
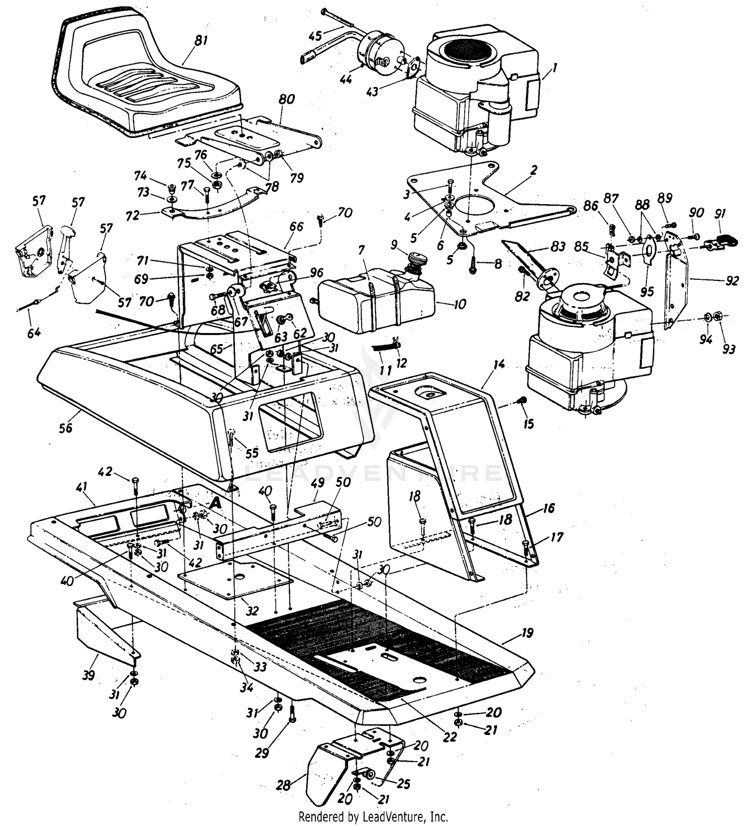
MTD Lawnflite 504 ride on mower in Canterbury for 295.00 for sale Very well made.
Ride on lawn mowers in Scotland Stuff for Sale Gumtree Very well made.
MTD Lawnflite Mdl 504 196 Parts01 Very well made.
Lawnflite Wispa Blo Blade Set 76cm 30 Very well made.
MTD LAWNFLITE 504 RIDE ON MOWER 30 Deck 8HP Briggs Stratton Very well made.